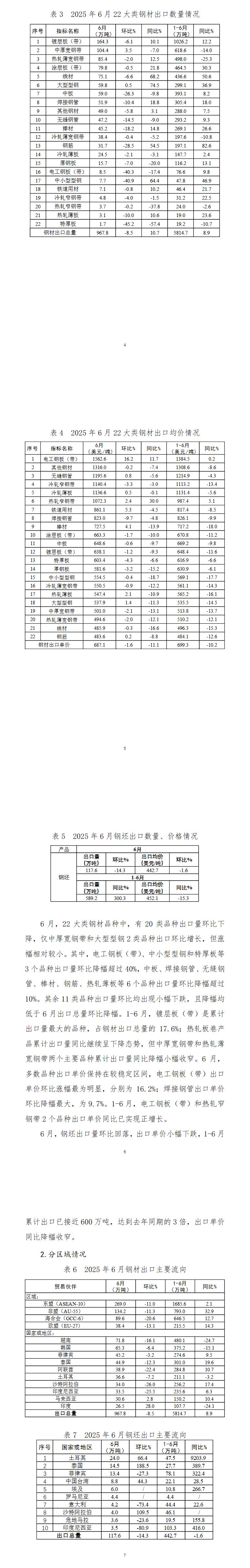
中钢协:6月我国出口钢材967.8万吨 较上月下降8.5%



04-01废钢调价:4月1日河北秦皇岛龙安废钢调…
04-01废钢调价:4月1日江苏扬州秦邮废钢调价…
04-01废钢调价:4月1日河北迁安荣信钢铁废钢…
04-01废钢调价:4月1日河北迁安鑫达废钢调价…
04-01废钢调价:4月1日内蒙古乌钢废钢调价信…
03-253月25日上海市场废钢价格行情
03-253月25日江苏市场废钢价格行情
03-253月25日浙江市场废钢价格行情
03-253月25日安徽市场废钢价格行情
03-253月25日江西市场废钢价格行情
03-253月25日天津市场废钢价格行情
03-313月31日炉料华北市场最近一月统计报价
03-313月31日钢筋头华北市场最近一月统计报价
03-313月31日钢板料华东市场最近一月统计报价
03-313月31日重废西南市场最近一月统计报价
03-313月31日重废华北市场最近一月统计报价
03-313月31日重废华东市场最近一月统计报价
皖公网安备34011102000815号